Конструкции серии разработаны применительно к сухим грунтам и при возведения и эксплуатации сооружений при температуре воздуха до минус 40°С.
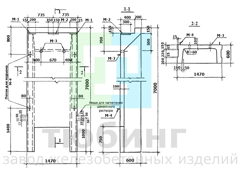
Вертикальные стеновые панели – ребристые, имеют одно поперечное ребро, связывающее продольные ребра.
Стеновые панели вертикальными ребрами заделываются в фундамент, образуя жесткое соединение.
Панели изготавливаются из тяжелого бетона класса В22,5.
Бетон по морозостойкости и водонепроницаемости соответствует маркам, назначенным в проекте.
Отпускная прочность бетона в летнее время - 70%, в зимнее - 100%.
Ребра стеновых панелей армируются пространственными армокаркасами, а плиты – плоскими сварными сетками, изготовляемыми при помощи контактной точечной электросварки.
При армировании используется арматура периодического профиля класса A-III и класса A-I по ГОСТ 5781-82.
Для изготовления строповочных петель применяется круглая горячекатаная арматурная сталь класса A-I марки ВСт3сп5 по ГОСТ 5781-82.
Закладные элементы М-3 предназначены для строповки панели при монтаже.
При складировании и транспортировке конструкции должны укладываться в горизонтальном положении с прокладками между элементами из деревянных брусков сечением 100x100 мм.
Деревянные бруски должны укладываться в местах подъемных петель или отверстий, предназначенных для строповки конструкций.
По высоте железобетонные конструкции разрешается складировать в 4-5 рядов, обеспечивая при этом устойчивое положение каждого штабеля.
ПВ3-2 - вертикальная стеновая панель 3-го типоразмера, 2-ой марки по несущей способности.
Варианты маркировки:
1. ПВ3-2
2. ПВ3.2
3. ПВ3 2
4. ПВ3/2
5. ПВ 3-2
6. ПВ 3.2
7. ПВ 3 2
Цена на железобетонную стеновую панель ПВ3-2 принята с учетом НДС, без учета доставки.
Представленные на сайте цены на ЖБИ не являются публичной офертой и могут меняться в зависимости от количества заказываемых изделий и общей ситуации на строительном рынке.
Эскиз вертикальной стеновой панели ПВ3-2
